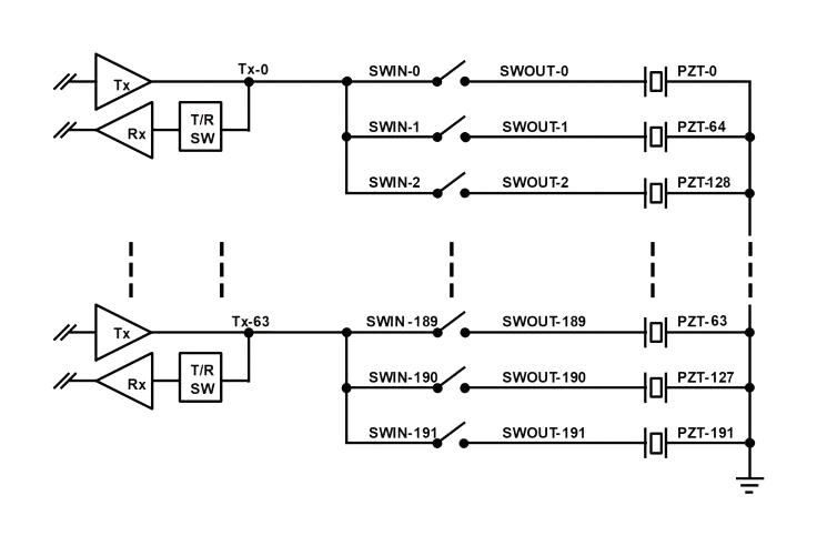
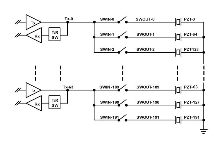
MP4864AGBD is a 64-channel, high-voltage, SPST analogue switch with integrated output bleed resistors designed for medical ultrasound imaging applications. It is designed to multiplex the transmit and receive voltages to and from multiple piezoelectric transducers. The output switches are controlled by a 64-bit serial shift register, followed by a 64-bit data latch. A data out pin allows multiple devices to be cascaded together. This minimizes the number of input/output (I/O) control lines. A logic high signal in the data latch turns on the corresponding analogue switch; a logic low signal turns off the corresponding analogue switch. The MP4864A does not require any high-voltage supplies. It only requires two low-voltage supplies (3.3V and 12V). The analogue switch can block or pass analogue voltages up to ±90V, with peak currents of up to ±2A. The MP4864A is available in a BGA-144 (10mmx10mm) package. It is used in medical ultrasound imaging and Non-Destructive Testing (NDT).
- 14ohm typical switch resistance
- ±2A typical switch peak current
- Off-isolation of -66dB at 5MHz
- Integrated output bleed resistors
- 80MHz clock frequency
Footnotes MPS part numbers ending in "-P" and "-Z" are the same parts. P & Z only indicates reel size.
Other details
| Brand |
MONOLITHIC POWER SYSTEMS (MPS) |
| Part Number |
MP4864AGBD |
| Quantity |
Each |
| Technical Data Sheet EN |
 |
All product and company names are trademarks™ or registered® trademarks of their respective holders. Use of them does not imply any affiliation with or endorsement by them. Image is for illustrative purposes only. Please refer to product description.