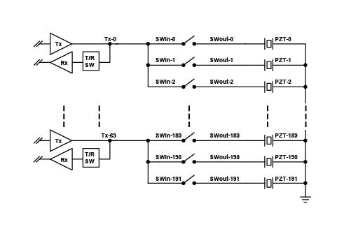
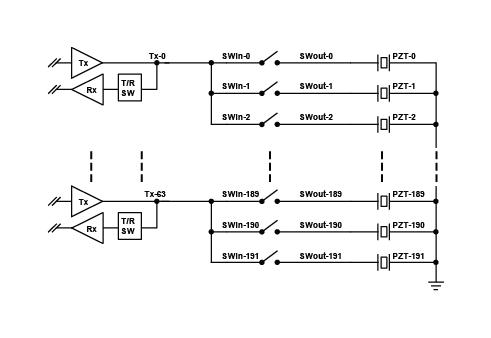
MP4816 is a 16-channel, high-voltage, single-pole, single-throw, SPST, analogue switch designed for medical ultrasound imaging applications. The MP4816 is designed to multiplex transmit and receive voltages to and from multiple piezoelectric transducers (PZT). The output switches are controlled by a 16bit serial shift register followed by a 16bit data latch. A data out pin (DOUT) is provided to allow for multiple devices to be cascaded together. This helps minimize the number of input/output (I/O) control lines. A logic high in the data latch turns on the corresponding analogue switch. A logic low turns off the corresponding analogue switch. The MP4816 does not require any high-voltage supplies. Only two low-voltage supplies are required (3.3V and 10V). The analogue switch can block or pass analogue voltages up to ±90V with peak currents of up to ±2.0A. MP4816 is available in a TQFP-48 (7mmx7mm) package. Applications include medical ultrasound imaging, non-destructive testing (NDT).
- No high-voltage supplies required
- Up to ±90V analogue signals
- 12.5ohm typical switch resistance
- ±2A typical switch peak current
- Off-isolation of -66dB at 5MHz
- 80MHz clock frequency
Footnotes MPS part numbers ending in "-P" and "-Z" are the same parts. P & Z only indicates reel size.
Other details
Brand |
MONOLITHIC POWER SYSTEMS (MPS) |
Part Number |
MP4816GFP |
Quantity |
Each |
Technical Data Sheet EN |
 |
All product and company names are trademarks™ or registered® trademarks of their respective holders. Use of them does not imply any affiliation with or endorsement by them. Image is for illustrative purposes only. Please refer to product description.