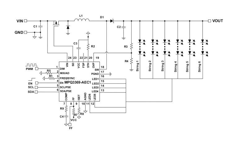
The MPQ3369-AEC1 is a step-up converter with six channel current sources, designed to drive white LED arrays as backlighting in small-to-mid-size LCD panels. The MPQ3369-AEC1 uses peak current mode as its PWM control architecture to regulate the boost converter. Six channel current sources are applied into the LED cathode to adjust the LED brightness. It regulates the current in each LED string to the value set via an external current-setting resistor, with 2.5% current regulation accuracy between strings. The MPQ3369-AEC1 employs a low on-resistor MOSFET and a low headroom voltage, designed for higher efficiency. It has a standard I2C digital interface for ease of use.
- External Sync SW function
- Multi-dimming operation mode through PWM input
- 15000:1 dim ratio in PWM dim at fPWM <= 200Hz
- 200:1 dim ratio at analogue dim through PWM dim signal input
- Excellent EMI performance, frequency spread spectrum
- Cycle-by-cycle current limit
- Optional LED current auto-decrement at high temperature
- Fault indicator signal output
- Protection modes include OCP, OVP, OTP, LED short and open protection
Footnotes MPS part numbers ending in "-P" and "-Z" are the same parts. P & Z only indicates reel size. Warnings Market demand for this product has caused an extension in leadtimes. Delivery dates may fluctuate. Product exempt from discounts.
Product details
| Device Topology |
Boost (Step Up) |
| Input Voltage Min |
3.5V |
| Input Voltage Max |
36V |
| Output Voltage Max |
- |
| Output Current Max |
100mA |
| Switching Frequency |
2.2MHz |
| No. of Outputs |
6Outputs |
| IC Mounting |
SMD |
| Driver Case Style |
TSSOP-EP |
| No. of Pins |
28Pins |
| Operating Temperature Min |
-40°C |
| Operating Temperature Max |
125°C |
| Product Range |
- |
| Automotive Qualification Standard |
AEC-Q100 |
| MSL |
MSL 2A - 4 weeks |
Other details
| Brand |
MONOLITHIC POWER SYSTEMS (MPS) |
| Part Number |
MPQ3369GF-AEC1-P |
| Quantity |
Each (Supplied on Cut Tape) |
| Technical Data Sheet EN |
 |
All product and company names are trademarks™ or registered® trademarks of their respective holders. Use of them does not imply any affiliation with or endorsement by them. Image is for illustrative purposes only. Please refer to product description.